電話:0713-2115858
0713-2115868
0713-2115866
0713-2117622
電話:0713-2115858
0713-2115868
0713-2115866
0713-2117622


信號輸出方式:
NO-常開輸出
通路報警:(當磁鐵靠近開關,干簧管觸點閉合,信號線接通。如門被打開,磁鐵離開開關,干簧管觸點斷開,信號線中斷。)
NC-常閉輸出
斷路報警:(當磁鐵靠近開關,干簧管觸點斷開,信號線中斷。如門被打開,磁鐵離開開關,干簧管觸點閉合,信號線接通。)
NO-NC 常開常閉型 (三線式,轉換輸出)
產品特點:
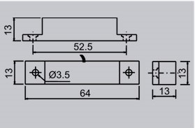
方型外觀,美觀大方;
觸點密封,可用于惡劣環境,性能穩定,壽命超長;
待機時不消耗功率,是電池供電設備理想開關選擇;
磁場靈敏范圍、外殼顏色、線纜端子和線長均可自定義;
有常開、常閉、高壓常開觸點方式可選擇。
應用范圍:
LED燈負載控制
位置與端點感測
活塞末端行程與位置感測
門窗控制
液位感測